transformation d'une remorque

Venez nous faire partager votre savoir-faire !
Avatar du membre
helvetdulac
Membre
Messages : 64
Enregistré le : 01 mars 2013, 05:39
Prénom : jean_françois

Re: transformation d'une remorque

Message par helvetdulac »

Bonjour à tous,
je pensais qu'une inclinaison de +/- 28° était suffisante pour ne pas générer trop d'efforts au début de la levée de la benne.
si je dois l'incliner plus, je me demande si, compte tenu des possibilités de pose, le support du vérin sera suffisant pour supporter la charge de 6 tonnes.
Pour avoir un angle de 40° du vérin au repos, je dois envisager un vérin avec les tourillons au centre.
Je joins 2 plans expliquant la nouvelle étude.
2 IPN de 100x55x6 soudés sur le châssis existant supportent 2 fers UPE de 120x55x7 sur lesquels sont soudés les paliers de 45 mm
la longueur des IPN soudés sur le chassis est de 749 et de 838 mm
la longueur des UPE soudés sur les IPN est de 378 mm
le décalage de niveau des IPN est résulte du gabarit du vérin.

est-ce valable ou non ?

Merci de vos avis
Fichiers joints
utilisation d'un vérin Chatel type 315 avec pivot central
utilisation d'un vérin Chatel type 315 avec pivot central
nouveau support soudé du vérin
nouveau support soudé du vérin
mouvements du vérin entre position repos et travail
mouvements du vérin entre position repos et travail
Avatar du membre
Batan82
Membre
Messages : 101
Enregistré le : 24 août 2012, 17:23
Tracteur(s) : Deutz 100 06A
Petit gris
Prénom : Pierre
Localisation : 82 et 13

Re: transformation d'une remorque

Message par Batan82 »

Pour moi c'est mieux mais je le mettrais encore plus vertical en abaissant le support des pivots et en avançant vers l attelage le point de fixation sur la benne
Pour le calcul des résistances de poutre il y a ce site
http://jean.lamaison.free.fr/flexion.html
Avatar du membre
Batan82
Membre
Messages : 101
Enregistré le : 24 août 2012, 17:23
Tracteur(s) : Deutz 100 06A
Petit gris
Prénom : Pierre
Localisation : 82 et 13

Re: transformation d'une remorque

Message par Batan82 »

Dans cette annonce il y'a une photo qui te montre bien comment est positionné le vérin
http://m.agriaffaires.com/sitemobile/an ... mpagne-bc9
Avatar du membre
helvetdulac
Membre
Messages : 64
Enregistré le : 01 mars 2013, 05:39
Prénom : jean_françois

Re: transformation d'une remorque

Message par helvetdulac »

Bonjour Batan82,
la photo Bc9 a le vérin très près de l'axe de pivotement de la benne, je pensais que cette position nécessite une pression plus grande du vérin.
J'ai refait le dessin avec l'axe de pivotement du vérin au maximum vers le timon de la remorque, compte tenu que je ne voudrais pas que le vérin en position repos soit trop près du sol pour éviter tout choc.
J'ai du envisager un vérin à 4 pistons de façon à avoir une course plus longue (1.705) avec la garde au sol acceptable.
Evidemment, cette solution a l'avantage de rendre le support du vérin plus résistant, compte tenu qu'il est plus étroit.
Par contre, j'ai un débattement plus grand du vérin mais qui reste acceptable.

Merci encore de vos avis.
Fichiers joints
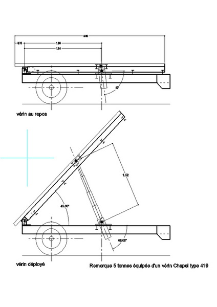
nouvelle solution avec un vérin 4 pistons placé à 2.5 m de l'axe de pivotement de la benne,<br />angle en position repos : 42°<br />angle en position travail : 64°
nouvelle solution avec un vérin 4 pistons placé à 2.5 m de l'axe de pivotement de la benne,
angle en position repos : 42°
angle en position travail : 64°
Avatar du membre
Batan82
Membre
Messages : 101
Enregistré le : 24 août 2012, 17:23
Tracteur(s) : Deutz 100 06A
Petit gris
Prénom : Pierre
Localisation : 82 et 13

Re: transformation d'une remorque

Message par Batan82 »

L'avantage de mettre le vérin au niveau de l'axe des roues c'est de le protéger, d'avoir la force qui s'exerce au moment du relevage directement transmise aux points d'appui donc d'avoir un châssis moins lourd car pas de porte à faux, donc traverse moins grosse et un vérin moins long et plus vertical par contre il doit développer une force plus importante. Je ne connais pas les prix mais c'est à comparer avec un vérin à 4 segments
Avatar du membre
gg1212
Administrateur du site
Messages : 3380
Enregistré le : 26 oct. 2010, 21:12
Tracteur(s) : Deutz Agrotron 118
Deutz D7206
NH lm1133
Prénom : Jérôme
Localisation : Belgique

Re: transformation d'une remorque

Message par gg1212 »

Ca que tu propose en haut de la page me semble correct, le vérin est un peu plus droit mais toujours assez proche des essieux ;)

Mais pour moi sur ton premier plan le vérin doit quand même être capable de lever la benne.

Regardez comme le vérin est presque horizontal au début du levage de cette benne.

Image

Et pourtant c'est des bennes qui soulève des charges de 25-30 tonnes jour après jour.

Et par contre près de l'axe du vérin coté plateau je mettre 2 fer de travers.
Par facile a expliquer mais voici une photo pour t'aider a comprendre ce que je veux dire.

Image
Restauration de notre benne panien 12 Tonnes 2 essieux : Reportage photo et Vidéo
Avatar du membre
d5506
Membre
Messages : 838
Enregistré le : 29 avr. 2012, 17:46
Tracteur(s) : pony 812
deutz d15
deutz d5506
deutz fahr dx3.60
deutz fahr dx4.50
john deere 6520
fendt farmer 410 vario
Prénom : thibaut

Re: transformation d'une remorque

Message par d5506 »

oui mais cette remorque est equipé d'un compas :)
Avatar du membre
Batan82
Membre
Messages : 101
Enregistré le : 24 août 2012, 17:23
Tracteur(s) : Deutz 100 06A
Petit gris
Prénom : Pierre
Localisation : 82 et 13

Re: transformation d'une remorque

Message par Batan82 »

Sur la photo du plateau il y a 2 vérins
La benne 6 roues est équipée d'un compas ce qui change tout
Au plus le vérin est horizontal au plus la force de levée diminue par contre celle d'arrachement sur les ancrages du vérin et sur les pivots de bascules de la benne augmente. A 45° elle est équivalente entre les 2
Le calcul des dimension des poutres du chassis et du plateau est facile avec la calculette dont j'ai mis le lien
Avatar du membre
helvetdulac
Membre
Messages : 64
Enregistré le : 01 mars 2013, 05:39
Prénom : jean_françois

Re: transformation d'une remorque (suite et pas fin)

Message par helvetdulac »

Bonjour à tous,
J'ai essayé de faire un condensé de vos remarques et de l'adapter à la situation existante.
Je pense que la version définitive est à peu près déterminée.
Je pourrai prendre livraison de la ferraille fin de la semaine prochaine et je pense que fin du mois, les premières photos de la modification seront disponibles.
Encore merci de vos différents avis qui nous ont aidés à prendre les décisions.
Personnellement, mes compétences en mécanique s'arrêtent au diamètre 4 mm, le matériel agricole est à des années lumières de mes expériences.
Fichiers joints
vue avant, plateau baissé
vue avant, plateau baissé
vue avant, plateau levé
vue avant, plateau levé
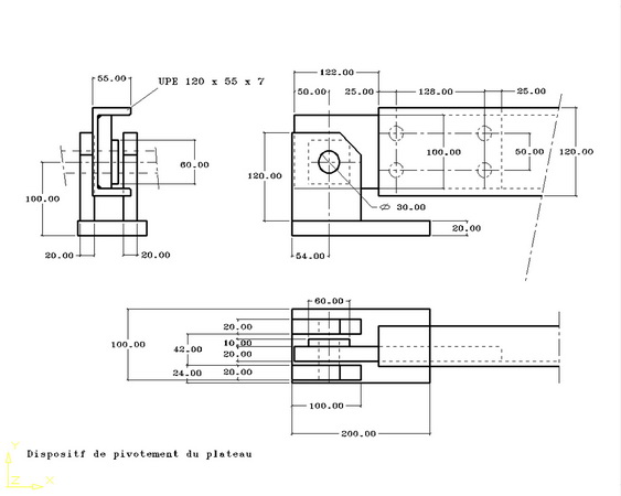
dispositif de rotation du plateau
dispositif de rotation du plateau
plan pour les dimensions des éléments
plan pour les dimensions des éléments
Avatar du membre
Batan82
Membre
Messages : 101
Enregistré le : 24 août 2012, 17:23
Tracteur(s) : Deutz 100 06A
Petit gris
Prénom : Pierre
Localisation : 82 et 13

Re: transformation d'une remorque

Message par Batan82 »

Super
Répondre